Wasserbehandlung oder Wasseraufbereitung?
Wasseraufbereitung bedeutet die Änderung der Wasserzusammensetzung. Hierfür nutzen wir entsprechende Verfahrenstechniken wie Filtration, Ionenaustausch, Membrantechnik oder Sorption.
Wasserbehandlung verwendet Chemikalien um Reaktionsprobleme, die bei der Nutzung von Wasser entstehen können, zu unterdrücken oder kontrolliert ablaufen zu lassen.
Die sinnvolle Kombination von Wasseraufbereitung und Wasserbehandlung ist unser Kompass zur Lösung Ihrer Wasserprobleme.
Durch die Vielzahl der Verfahren in unserem Fertigungsprogramm, wie Filtration, Entsäuerung, Enthärtung, Entkarbonisierung, Teil- und Vollentsalzung sowie Neutralisation und Thermische Entgasung sind wir in der Lage, eine optimale Verfahrenskombination zu entwickeln, um Wasser oder wässrige Lösungen auf praktisch jeden gewünschten Reinheitsgrad zu bringen. Auf Wunsch werden alle Anlagen durch eigenes Fachpersonal aufgestellt, montiert und in Betrieb genommen.
Die Einsatzgebiete unserer Anlagen liegen in der Industrie, Energieerzeugung, Wasserversorgung, Krankenhäuser, Getränke- und Lebensmittelherstellung.
Bei der Herstellung unserer Anlagen achten wir im höchsten Maße auf die Verwendung standardisierter und qualitativ hochwertiger Komponenten namhafter Lieferanten. Dadurch erreichen wir hohe Ersatzteilverfügbarkeit zu vertretbaren Kosten bei gleichzeitiger Kompatibilität an den Übergabestellen zum Verbraucher – auch im Ausland.
Auf Wunsch werden alle Anlagen durch eigenes Fachpersonal aufgestellt, montiert und in Betrieb genommen.
Verfahren und Prozesse
Filtration
durch Medienfilter, Beutelfilter, Kerzenfilter oder Ultrafiltration zur:
- Entfernung von Schwebstoffen durch mechanische Filtration bis > 5 μm
- Reduzierung von Eisen und Mangan durch Oxidation und Fällung
- Entsäuerung durch Verrieselung, Kalkhydratfiltration oder Zugabe von NaOH
- Entkeimung durch UV-Bestrahlung in Verbindung mit H2-O2-Dosierung
- Aktivkohlefiltration zur Reduzierung von Chlor zur Geschmacksverbesserung
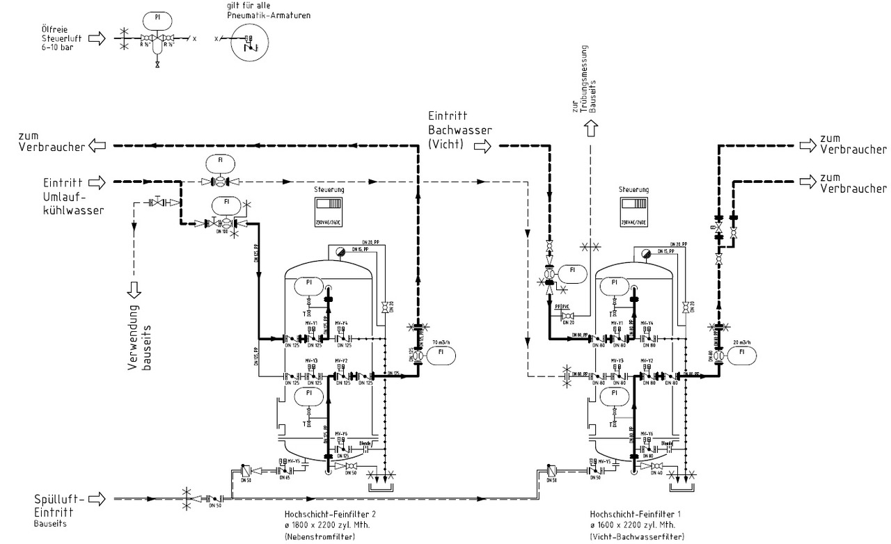
Schema Filtration
Teilstromfilter Umlauf-Kühlwasser
Teilstromfilter Umlauf-Kühlwasser
Brauchwasser
Kiesfilter für Filtration, Enteisenung und Entmanganung von Brunnenwasser
Kiesfilter für die Filtration und Enteisenung von Brunnenwasser
Beutelfilter-Einheit für Vorfiltration von Brauchwasser
Teilstromfilter für Umlauf-Kühlwasser
Ionenaustausch
durch moderne schwach/stark saure oder schwach/stark basische Ionenaustauscher zur:
- Reduzierung der Härtebilder, Ca- und Mg-Ionen durch Na-Austausch
- Reduzierung des Gesamtsalzgehaltes, bis auf =< 0,02 μS/cm durch Austausch von H+/OH-
- eingeschränkte Bindung von organischen Stoffen durch spezielle Adsorber/Scavanger
- eingeschränkte Reduzierung des CSB/TOC-Gehaltes durch spezielle Adsorber/Scavanger
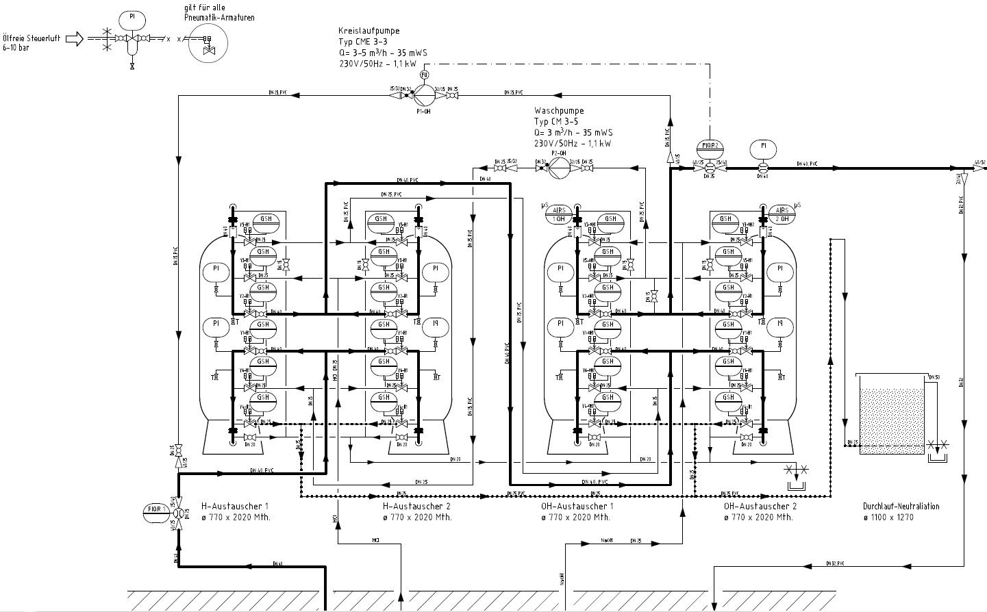
Schema Ionenaustausch
2-straßige Ionenaustauscheranlage zur CSB-Reduzierung und Entsalzung von Molkebrüden-Kondensat
Doppelfilter-Ionenaustauschanlage zur Enthärtung von Trinkwasser, Zentralsteuerventil
Doppelfilter-Ionenaustauschanlage zur Enthärtung von Trinkwasser, Einzelventilverrohrung
Doppelfilter-Ionenaustauschanlage zur Enthärtung von Trinkwasser, Zentralsteuerventil
Membrantechnik, Umkehr-Osmose, Nanofiltration, Ultrafiltration, Elektro-Deionisation
durch moderne Niederdruck-Polyamid-Wickelmodule, Keramik-Module oder EDI-Zellen zur:
- Reduzierung des Gesamtsalzgehaltes, < 5 % des Eintrittsgehaltes bis 0,06 μS/cm
- eingeschränkte Bindung von organischen Stoffen
- eingeschränkte Reduzierung des CSB/TOC-Gehaltes
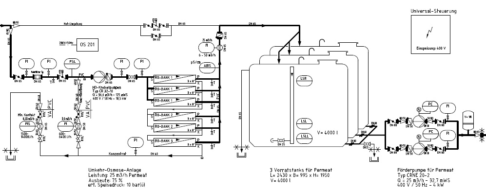
Schema Umkehr-Osmose 25 m3h Permeat 75% Ausbeute
Kompakte Umkehr-Osmose, Gegendruckausführung
Umkehr-Osmose-Grossanlage auf VA-Rahmen mit FU-gesteuerten Druckpumpen
Umkehr-Osmose-Anlage auf VA-Rahmen, gespiegelte Ausführung, 2 x 100%
Umkehr-Osmose-Anlage auf VA-Rahmen, gespiegelte Ausführung, 2 x 100%
Umkehr-Osmose-Anlage, Kompakte Kleinanlage auf Kunststoffrahmen, inkl. Permeatspeicher
Umkehr-Osmose-Anlage, Enthärtung und Elektrodeionisation zur Reinstwassererzeugung auf VA-Rahmen
Umkehr-Osmose-Anlage in Kompaktausführung auf VA-Rahmen, inkl. Permeatspeicher
Thermische Entgasung
durch moderne Niederdrucksprühentgaser, Rieselentgaser oder stehende Block-Kreislaufentgaser zur:
- Reduzierung von Sauerstoff und Kohlensäure aus Kesselspeisewasser für die Dampferzeugung
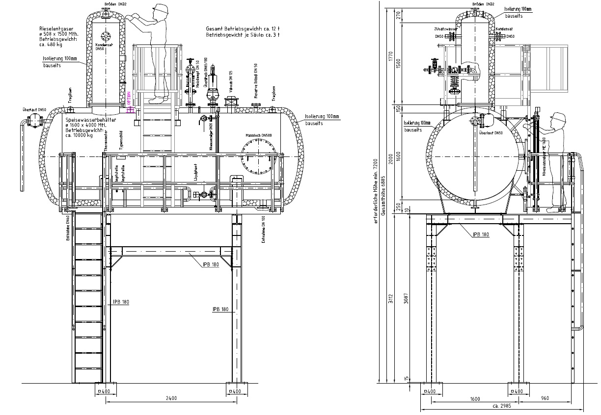
Schema Rieselentgaser
Speisewasserbehälter mit Absalzentspanner
Rieselentgaser aus VA
Stehender Kreislaufentgaser
Dosierung
Dosierstationen und Aggregate, als Kompletteinheiten zur:
- Entnahme und Zugabe von Wasserbehandlungschemikalien WHG-Konform
Dosierstation, anschlussfertig auf PE-Wanne
Dosierstation mit Qualitäts-Überwachung auf PVC-Tafel
Dosierstation in PEHD-Dosierschrank
Dosierstation auf PVC-Tafel, anschlussfertig
Dosierstation auf VA-Rahmen, mobil, inkl. PEHD-Wanne für Gebindeaufnahme
Wasseraufbereitung richtig auslegen
Um eine Wasseraufbereitungsanlage richtig auszulegen, benötigen wir einige Informationen.
Wofür wird das Wasser benötigt?
In der Produktion, als Kühlwasser oder für die Dampferzeugung?
Welches Wasser soll aufbereitet werden? Stadtwasser, Quell- oder Brunnenwasser, Abwasser aus Produktionsanlagen?
Gibt es eine aktuelle Wasseranalyse? Egal ob Oberflächen-, Brunnen-, oder Trinkwasser. Wir benötigen in jedem Fall eine möglichst umfassende Wasseranalyse als Projektierungsgrundlage. Wenn Sie keine aussagekräftige Analyse zur Hand haben, schicken Sie uns eine 1l-Wasserprobe in einem geeigneten Probengefäß.
